Проектирование ТЦ «МЕГА-АДЫГЕЯ»
Параметры
Вид деятельности:
Торговое помещение
Местоположение:
ТРЦ «МЕГА Адыгея-Кубань», Республика Адыгея
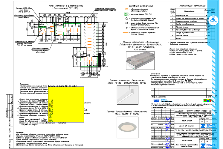
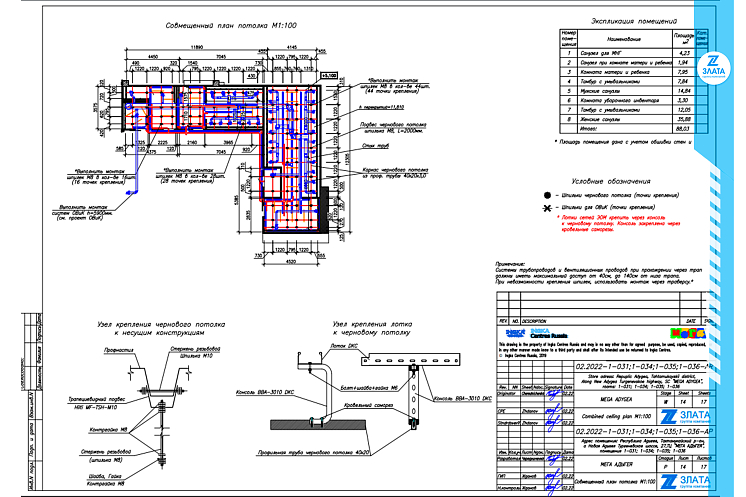
Площадь:
88 м2
Срок выполнения:
60 рабочих дней
Задача:
Cоздание проектов в подсобных помещениях АР, ЭОМ, ОВИК, ВК.
Решение:
Специалисты ГК "ЗЛАТА" за 60 дней разработали проекты для санузла в ТЦ "МЕГА-Адыгея": АР, ЭОМ, ОВИК, ВК.
Хотите так же?
Если у Вас появились вопросы, наши специалисты с радостью проконсультируют по всем вопросам и постараются подобрать максимально современные решения и комфортные условия сотрудничества.
Этапы
Заключение договора
Заключение договора
Договор на проектирование, как ключевой документ, регламентирует взаимоотношения сторон, детально фиксирует условия выполнения проектных работ, включая временные рамки, стоимость услуг и распределение ответственности. На начальной стадии менеджер определяет потребность клиента.
Создание эскизного проекта
Создание эскизного проекта
Этап включает комплексную разработку концептуальных решений, охватывающих архитектурные и планировочные аспекты, а также инженерные системы. В ходе проекта определяются основные параметры объекта: внешний облик, габариты, пространственная организация и базовые концепции инженерных коммуникаций.
Разработка проектной документации и сметного расчета
Разработка проектной документации и сметного расчета
В рамках данного процесса разрабатываются комплексные технические чертежи и схемы, обеспечивающие соответствие проекта нормативным требованиям и стандартам. Проектная документация включает архитектурные решения, планы инженерных систем, конструктивные расчеты и сметную часть.
Согласование и экспертиза
Согласование и экспертиза
Проектная документация проходит комплексную проверку на соответствие нормативным требованиям. Этот процесс включает в себя обязательную экспертную оценку, которая осуществляется государственными или специализированными учреждениями.
Разработка рабочей документации
Разработка рабочей документации
Разработка рабочей документации представляет собой ключевой этап в процессе проектирования, требующий тщательной проработки и детализации всех конструктивных и инженерных решений. На данном этапе создаются окончательные чертежи и расчеты, которые являются основой для дальнейшего строительства.
Сдача работы заказчику
Сдача работы заказчику
На завершающем этапе все проектные документы и решения, прошедшие тщательную верификацию и валидацию, официально передаются заказчику. Передача проектной документации сопровождается процедурой подписания акта сдачи-приемки, что юридически фиксирует завершение этапа проектирования.
Наши преимущества
Профессиональный опыт с 2008 года
Специализируемся на монтаже инженерных сетей, демонтажных и отделочных работах, а также архитектурно-строительном и инженерном проектировании.
Сертифицированный персонал
Наши специалисты постоянно повышают свои квалификационные навыки и следят за современными тенденциями в строительной и проектной отраслях.
Специализированное оборудование
Наши специалисты используют профессиональное оборудование и качественные материалы, что позволяет обеспечивать эффективную работу на объектах.
Гибкость и адаптивность
Предлагаем нашим клиентам уникальную возможность гибко адаптировать проектные решения в соответствии с их текущими потребностями и требованиями.
Партнерские отношения
Благодаря многолетнему партнерству и выгодным условиям от поставщиков, мы можем предложить нашим клиентам строительные материалы по привлекательным ценам.
Получите консультацию специалиста
Заполните форму и наш консультант с вами свяжется